ANALOGNI POKAZIVAČ SA ZAKRETNIM ILI KRIŽNIM SVITKOM
DVOPOLOŽAJNI REGULATOR
DIGITALNI LCD POKAZIVAČ

   

 

 

ANALOGNI POKAZIVAČ SA ZAKRETNIM ILI KRIŽNIM SVITKOM

 

 

Karakteristike:

 

 

 

 

 

 

 

TEHNIČKI PODACI

 

 

Kuæište

iz čeličnog lima u prahotijesnoj izvedbi, sa prednjim okvirom iz plastične mase, crne (odnosno sive) boje

Skala

bijela mat lak, crno opisana;

Dužina: 100mm (144x72) 130mm (192x96)

Mjerni sistem

sa zakretnim ili kružnim svitkom:

i permanentnim unutarnjim magnetom uležišten na čeličnim šiljcima i safirnim ležajima

Najmanja mjerna područja

za napon: 12mV, za struju: 100mikroA

za otpor: 20Ohm

Davači mjerne veličine

za naponska mjerenja: termoelementi, analizatori

za strujna mjerenja: mjerni pretvarači

za mjerenje otpora:

a) otporni termometri Pt 100

b) potenciometarski davači

Točnost

1,5% od krajnje vrijednosti na skali

Položaj ugradnje

horizontalan 144x72, 96x192,

za sva mjerna područja

vertikalan 72x144, 96x192

samo za stalna područja >1mA

Ubaždareni otpor vodova

kod mjerenja termoelementima 20Ohm

kod mjerenja otpornim termoelementima 10

kod mjerenja potenc. Davačima 2x10

Zaštita

IP 52, priključci IP 100

Masa

cca. 1kg

 

 

 

 

 

 


 

 

 

PODACI ZA NARUDŽBU

 

ANALOGNI POKAZIVAČ SA ZAKRETNIM ILI KRIŽNIM SVITKOM

 

 

KUÆIŠTE

 

 

 

 

 

 

 

 

144x72

72x144 područja >1mA

 

 

1

2

 

 

 

 

 

 

 

 

 

 

 

 

 

 

DAVAČ

MJERNO PODRUČJE

 

 

 

 

 

 

 

 

Termoelement

20 do 250 °C

 

 

 

1

1

0

1

 

Fe-CuNi (mV)

20 do 400 °C

 

 

 

1

1

0

2

 

 

20 do 600 °C

 

 

 

1

2

0

3

 

 

20 do 900 °C

 

 

 

1

2

0

4

 

Termoelement

20 do 600 °C

 

 

 

1

2

0

5

 

Ni-Cr-Ni (mV)

20 do 900 °C

 

 

 

1

2

0

6

 

 

20 do 1200 °C

 

 

 

1

2

0

7

 

Termoelement

20 do 1200 °C

 

 

 

1

1

0

8

 

Pt Rh-Pt (mV)

20 do 1600 °C

 

 

 

1

1

0

9

 

NAPON (mV)

prema zahtjevu

 

 

 

1

0

0

0

 

 

-220 do +50 °C

 

 

 

3

5

2

1

 

 

-100 do +50 °C

 

 

 

3

5

2

2

 

 

-30 do +60 °C

 

 

 

3

4

2

3

 

 

0 do +60 °C

 

 

 

3

4

2

4

 

 

0 do +100 °C

 

 

 

3

4

2

5

 

Otporni

0 do +100 °C

 

 

 

3

5

2

6

 

termometar

+50 do +150 °C

 

 

 

3

4

2

7

 

Pt100

0 do +200 °C

 

 

 

3

5

2

8

 

 

0 do +300 °C

 

 

 

3

6

2

9

 

 

0 do +400 °C

 

 

 

3

6

3

0

 

 

0 do +550 °C

 

 

 

3

6

3

1

 

 

+200 do +400 °C

 

 

 

3

4

3

2

 

 

+300 do +500 °C

 

 

 

3

4

3

3

 

 

prema zahtijevu

 

 

 

3

0

0

0

 

Mjerni

0 do 1 mA

 

 

 

2

3

1

1

 

pretvarač (mA)

0 do 5 mA

 

 

 

2

3

1

2

 

 

0 do 10 mA

 

 

 

2

3

1

3

 

 

0 do 20 mA

 

 

 

2

3

1

4

 

 

4 do 20 mA

 

 

 

2

3

1

5

 

Potenc. Davač Ohm

0 do 100

 

 

 

4

7

4

1

 

BOJA OKVIRA

 

 

 

 

 

 

 

 

 

crna

 

 

 

 

 

 

 

 

1

siva

 

 

 

 

 

 

 

 

5

DVOPOLOŽAJNI REGULATOR

 

 

 

 

PRIMJENA

           

            Dvopoložajni regulator se primjenjuje za mjerenje, regulaciju i signalizaciju svih fizikalnih veličina koje se mogu pretvoriti u električke signale, kao što su temperatura, pritisak, vodostaj, sadržina pH, vodljivost, itd.

            Može biti opremljen s jednim ureðajem za otipkivanje (MAX odnosno MIN) ili sa dva ureðaja za otipkivanje (MAX+MIN). Pošto se kazaljka mjernog sistema može bez ograničenja kretati po cijeloj dužini skale, moguæe je MIN – kontakt koristiti kao drugi MAX – kontakt (MAX+MAX). U navedenim kombinacijama regulatori se mogu primjeniti za:

- nadzor neke mjerne veličine, odnosno signalizaciju kod prekoračenja zadane maksimalne ili minimalne veličine,

- regulaciju temperature električki grijanih peæi, ekstrudera, preša i sl.

- regulaciju trofaznih industrijskih peæi.

 

NAČIN RADA

 

            Kombinacija svjetlosne diode (GaAs, koja emitira u infracrvenom dijelu spektra) i fototranzistora, smještene je u zajedničkom bloku s prorezom. Kad zastavica mjernog proreza uðe u ovaj prorez, prekida svjetlosni tok diode kojom upravlja tranzistor. Promjena stanja fototranzistora uzrokuje, putem okidačkog sklopa, da relej ostane bez struje i njegov preklopni kontakt prebacuje. U trenutku izlaska zastavice iz proreza, uspostavlja se prijašnje stanje.

            Svaka jedinica (MAX, MIN) ima svoj neovisan relej, snabdjeven preklopnim kontaktom čiji su položaji za pojedine slučajeve, prikazani na slici. Kazaljke namještene vrijednosti moguæe je postaviti preko cijelog mjernog područja, a najmanji meðusobni razmak je cca 2% dužine skale. Postavljanje se vrši okretanjem odgovarajuæih vijaka, smještenih u lijevom (MIN) i desnom (MAX) gornjem kutu, s čelne strane instrumenta. Kod izostanka mrežnog napona relej ostaje bez struje, a stanje preklopnog kontakta je kao kod prekoračenja namještene vrijednosti.

            Kod izvedbe predviðene za priključak na termo-elemente, ugraðeno je osiguranje protiv prekida termo-elemenata. Signal prekida je isti kao kod prekoračenja namještene maksimalne vrijednosti.

            Kod izvedbi za priključak na otporne termometre, u slučaju prekida termometra dobiva se signal kao kod prekoračenja maksimalne vrijednosti.

 

 

 

 

TEHNIČKI PODACI

 

 

Kuæište

iz čeličnog lima, prednji okvir iz plastične mase, crne boje; (uski okvir DIN 43718)

Skala

bijela mat;

Dužina: 100mm (144x72) 130mm (192x96)

Mjerni sistem

sa zakretnim ili kružnim svitkom KL. 1,5:

Najmanja mjerna područja

za napon: 12mV,

za struju: 100mikroA

za otpor: 20 Ohm

Davači mjerne veličine

a) termoelementi (mV)

b) mjerni pretvarači (mA)

c) otporni termometri Pt100 (Ohm)

d) potenciometarski davači (Ohm)

Izlaz

preklopni kontakt releja

Opteretivost kontakta

220V~/5A~

30V-/120W

250V-/30W

Histereza ukapčanja

</=0,75mm

Mrežni priključak

220V +/- 10%; 50Hz

Dozvoljena temperatura okoline

-10°C do +50°C

Položaj gradnje

Horizontalan 144x72, 192x96,

za sva mjerna područja

vertikalan 72x144, 96x192,

samo za stalna područja >1mA

Zaštita

IP 52, priključci IP 00


 

PODACI ZA NARUDŽBU

 

DVOPOLOŽAJNI REGULATOR

 

 

OPREMLJENOST

 

 

 

 

 

 

 

 

1 max.

1 min.

1 max.+ 1 min.

 

1

2

3

 

 

 

 

 

 

 

 

 

 

 

 

 

 

 

KUÆIŠTE

 

 

 

 

 

 

 

 

144x72

72x144 područja > 1mA

 

 

1

2

 

 

 

 

 

 

 

 

 

 

 

 

 

 

DAVAČ

MJERNO PODRUČJE

 

 

 

 

 

 

 

 

Termoelement

20 do 250 °C

 

 

 

1

1

0

1

 

Fe-CuNi (mV)

20 do 400 °C

 

 

 

1

1

0

2

 

 

20 do 600 °C

 

 

 

1

2

0

3

 

 

20 do 900 °C

 

 

 

1

2

0

4

 

Termoelement

20 do 600 °C

 

 

 

1

2

0

5

 

Ni-Cr-Ni (mV)

20 do 900 °C

 

 

 

1

2

0

6

 

 

20 do 1200 °C

 

 

 

1

2

0

7

 

Termoelement

20 do 1200 °C

 

 

 

1

1

0

8

 

Pt Rh-Pt (mV)

20 do 1600 °C

 

 

 

1

1

0

9

 

NAPON (mV)

prema zahtjevu

 

 

 

1

0

0

0

 

 

-220 do +50 °C

 

 

 

3

5

2

1

 

 

-100 do +50 °C

 

 

 

3

5

2

2

 

 

-30 do +60 °C

 

 

 

3

4

2

3

 

 

0   do +60 °C

 

 

 

3

4

2

4

 

 

0 do +100 °C

 

 

 

3

4

2

5

 

Otporni

0 do +100 °C

 

 

 

3

5

2

6

 

termometar

+50 do +150 °C

 

 

 

3

4

2

7

 

Pt100

0 do +200 °C

 

 

 

3

5

2

8

 

 

0 do +300 °C

 

 

 

3

6

2

9

 

 

0 do +400 °C

 

 

 

3

6

3

0

 

 

0 do +550 °C

 

 

 

3

6

3

1

 

 

+200 do +400 °C

 

 

 

3

4

3

2

 

 

+300 do +500 °C

 

 

 

3

4

3

3

 

 

prema zahtjevu

 

 

 

3

0

0

0

 

Mjerni

0   do 1 mA

 

 

 

2

3

1

1

 

pretvarač (mA)

0   do 5 mA

 

 

 

2

3

1

2

 

 

0 do 10 mA

 

 

 

2

3

1

3

 

 

0 do 20 mA

 

 

 

2

3

1

4

 

 

4 do 20 mA

 

 

 

2

3

1

5

 

Potenc. davač Ohm

0  do     100        

 

 

 

4

7

4

1

 

BOJA OKVIRA

NAPAJANJE

 

 

 

 

 

 

 

 

 

220 V~

 

 

 

 

 

 

 

1

crna

110 V~

 

 

 

 

 

 

 

2

 

24 V~

 

 

 

 

 

 

 

3

 

24 V~

 

 

 

 

 

 

 

4

 

220 V~

 

 

 

 

 

 

 

5

siva

110 V~

 

 

 

 

 

 

 

6

 

24 V~

 

 

 

 

 

 

 

7

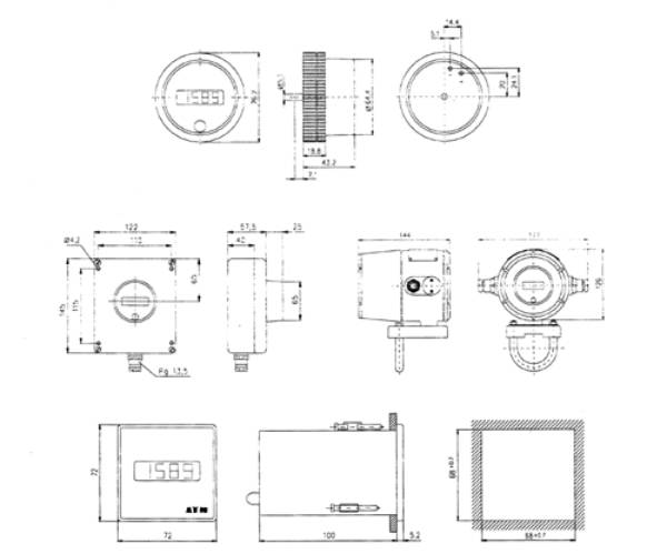
DIGITALNI LCD POKAZIVAČ

 

 

 

Karakteristike:

 

 

PRIMJENA

 

            Digitalni pokazivač LCD je jednostavan i kompaktan analogno digitalni pokazivač. Digitalni pokazivači su upotrebljivi u strujnoj petlji veæ od 0,3mA.

            Oni pretvaraju analogni strujni signal 0,3 do 20mA u 3 ½ digita LCD prikaz, visina znamenaka je 10mm. Napon napajanja formira se iz strujnog signala (0,3 do 20mA). Moguæe je podešavanje donje i gornje granice pokazivanja, pa se tako mogu prikazivati i apsolutne mjerne vrijednosti kao temperatura, snaga, put, itd. Nepotrebni su kablovi za napajanje pa se ostvaruje dodatna ušteda kod ugradnje pokazivača. Kod digitalnog pokazivača otpadaju problemi unutarnjeg induktiviteta mjernog svitka kao kod analognih pokazivača

 

 

NAČIN RADA

           

            Digitalni pokazivač LCD se priključuje u strujnu petlju 0,3 do 20mA. Ulazni signal se obraðuje na A/D pretvaraču i prikazuje na LCD prikazu. Decimalna točka se odabire ugradnjom kratkospojnika.

            Digitalni pokazivač LCD priključuje se kao i analogni pokazivač u strujnu petlju gdje nastaje pad napona </-3V.

TEHNIČKI PODACI

 

 

Ulazni signal

0,3 ... 20mA

Pokazivanje

+/- 1999, 3 ½ digit

Visina znamenki

10mm

Decimalna točka

prema izboru

Pad napona

</-3V

Točnost

+/- 0,1% / raspon +/- 1 digit

Linearnost

+/- 1 digit

Utjecaj temperature okoline

+/- 0,1% / 10°C

Prikaz kod prevelikog mjernog područja

"1"

Nedefinirani prikaz

<0,3mA

Radna temperatura

-20°C do + 65°C

Temperatura skladištenja

-40°C do + 85°C

 

 

 


 

 

 

 

PODACI ZA NARUDŽBU

 

DIGITALNI POKAZIVAČ LCD

 

 

Ø 76mm

1

 

72x72mm

2

 

Plastično kuæište

3

 

Metalni kuæište

4

 

Bez atesta

 

A

Atest S-komisije

 

B